Solutions
Related products: HT33 series Tower UPS 10-120KVA
Comparing to large data center, the structure of medium and small data center is similar. Most of the equipments are also critical loads and require very high reliability. The redundant rate may not as high as large data center, so the power reliability will have to rely on power supply itself. Besides of reliability, flexibility is one of the most important requirements because of the power upgrading possibility.
1. High power UPS system
2. Power distribution unit
3. Battery banks
4. Telecom DC power system
5. Monitoring system
Figure 1 shows INVT power solution for medium and small data center. Precision power supply system, air conditioning system and monitoring system are the main parts of the infrastructure. According to the exact requirements of different projects, UPS paralleling system or single unit can be the choice.
Figure 1: INVT solution for medium and small data center
The power source from the utility and the generator are ed by the ATS (automatic transfer switch) and connected to the central PDU (Power distribution unit). ATS will choose one of the sources to feed the connected equipments according to utility condition and customer setting. UPS, telecom DC power supply, and other equipments are connected to the central PDU. According to the requirements of different projects, people can choose central UPS power source or distributed UPS power source. Central UPS configuration usually applies one high power UPS system to feed all the critical loads, and distributed UPS configuration applies several UPSs for different kinds of loads.
The advantage of central UPS configuration is that the UPS and the battery banks are installed together, easy for management and maintenance, the disadvantage is that the power distribution is not flexible. In the case of distributed UPS configuration, the power distribution is flexible that people can choose different kinds of UPSs for different loads, but the management and maintenance of the system is complex.
INVT power offers the customer reliable and flexible solution for data center applications. In the case of central UPS configuration, INVT power recommends the modular UPS due to the upgrading requirements. If people choose distributed UPS configuration, INVT power recommends the tower UPS for the fixed loads, and modular UPS for the growing loads.
Due to the fast increasing requirement of information management in all kinds of industries, people are building more and more large data centers all around the world. Usually the large data center is bigger than 500 m2 and the numbers of racks inside is a large number. The requirements for power system include high power, high reliability, easy for upgrading and etc.
1. High power UPS system
2. Power distribution unit
3. Battery banks
4. Telecom DC power system
5. Monitoring system
Figure 1 shows a sample diagram of large data center. The main infrastructure includes UPS, PDUs, air conditioners, DC power, lightning protection, monitoring system and etc. Due to the high reliability requirement, large data centers are usually built according to Tier4.
Figure 1: Diagram of larger data center
Due to the application of UPS and the redundant design of power distribution system, the power reliability of modern large data center is higher than ever. As the loads of data center are growing so fast that not only reliability but other issues we have to face on. Energy saving, flexible for upgrading, high power density, intelligent, all of these aspects are becoming more and more important for the modern data centers.
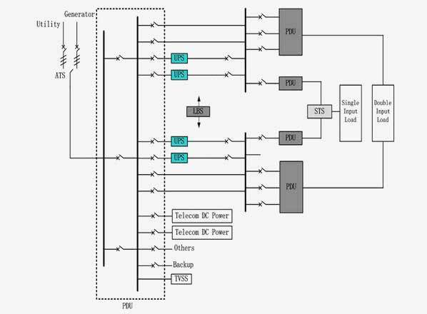
Figure Figure 2: INVT solution for large data center
Figure 2 shows INVT power solution for large data center. The power source from the utility and the generator are ed by the ATS (automatic transfer switch) and connected to the central PDU (Power distribution unit). ATS will choose one of the sources to feed the connected equipments according to utility condition and customer setting. UPS, telecom DC power supply, TVSS and other equipments are connected to the central PDU. INVT power provides the leading technology of LBS (Load bus synonization) system to insure the reliability of the system. The LBS system is considered to be the best configuration for the data center power solution. In the case of double power input loads, two UPS systems will feed with double power source. STS is needed for the single power input loads to one of the sources automatically.
The modular UPS from INVT power is very suitable for the requirements of the modern large data center. Besides the high reliability, INVT power modular UPS has the following advantages:
1. Modular design, decrease the initial investment of the customer.
2. Modular design, easy and flexible for system upgrading.
3. Very high system efficiency, energy saving technology.
4. Very high power density, save the precious space in the data center.
More and more precision equipments are applied in modern factories, and manufacturing process relies more and more on IT technologies, all of these bring the requirement of power supply reliability. The load types in modern factories are complex and different load may require different power condition. It’s important to choose suitable power supply for critical loads to insure the manufacturing process. Meanwhile, due to the factory field condition, the power supply protection degree and system function are also important.
1. UPS system
2. Power distribution unit
3. Battery banks
4. Monitoring system
According to the load type, the critical equipments in modern factories can be divided into the following:
1. Precision industrial equipments, such as semiconductor packaging machine, SMT machine, etc.
2. Process management system, such as DCS system, remote monitoring and control system, etc.
3. Factory IT system, such as ERP, PLM, etc.
Figure 1 shows INVT Power solution for modern factory.
Figure 1: Solution for modern factory
The power source from the utility and the generator are ed by the ATS (automatic transfer switch) and connected to the PDU (Power distribution unit). ATS will choose one of the sources to feed the connected equipments according to utility condition and customer setting. Basically INVT power recommends the customer to separate the PDU for industrial loads and factory IT system. Generally speaking, UPS paralleling system is necessary for precision industrial load. In case of influence, the process management system can be separated by using independent UPS system.
According to different condition, the factory IT system can be powered by the same UPS system as process management system or an independent UPS system. Similar to datacenters, there are many growing loads in industrial application, so the flexibility of the power supply system is becoming more and more important.






